© ООО «ИнКАД», 2026

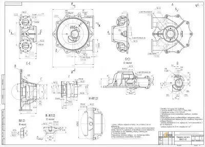
Крышка для насоса ВВН2-50

Задача:
Крышка для насоса ВВН2-50
Исходные данные:
Деталь в наличии на объекте заказчика
Выходные данные:
3D-модель в формате STP, чертеж в формате PDF
Срок выполнения:
7 дней

В рамках проекта было выполнено 3D-сканирование детали на объекте заказчика. Заказчику требовался чертёж для последующего изготовления корпуса. Поскольку корпус содержит внутреннюю улиту (канал), для проведения замеров были предоставлены две улиты. На одной из них была удалена стенка — это обеспечило доступ к внутреннему каналу.

Сканирование проведено по двум образцам. Полученные сканы были совмещены, на их основе построена твёрдотельная 3D-модель. После согласования модели с заказчиком был разработан и выпущен рабочий чертёж крышки насоса.

Над проектом работали:

Обсудить проект?

Заполните форму, чтобы наш менеджер связался с Вами и подробно проконсультировал
Спасибо, мы свяжемся с Вами в ближайшее время
Кликните или перенесите файлы (до 2МБ, до 6 файлов)
Оставить заявку на 3D-моделирование
Спасибо, мы свяжемся с Вами в ближайшее время
Оставить заявку
Спасибо, мы свяжемся с Вами в ближайшее время
HostCMS