© ООО «ИнКАД», 2026
Центр обратного инжиниринга и 3D сканирования ИнКАД
task@in-cad.ru +7 (812) 665-87-82

Части насоса

Задача:
Разработать чертежи на детали насоса.
Исходные данные:
Детали в наличии (3 шт).
Выходные данные:
Чертежи на детали в электронном виде.
Срок выполнения:
7 дней с учетом согласования и внесения правок.

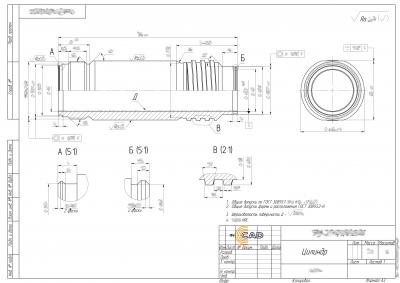
Перед нами стояла задача разработать чертежи деталей насоса для дальнейшего изготовления на предприятии заказчика. Нам были предоставлены образцы импортного производства.

Детали были отсканированы для обеспечения требуемой точности замеров. На основании полученных данных строились твердотельные 3д модели и разрабатывались чертежи с учётом возможностей производства.

Дополнительная информация об услуге реверс-инжиниринга на нашем сайте.

Над проектом работали:

Обсудить проект?

Заполните форму, чтобы наш менеджер связался с Вами и подробно проконсультировал
Спасибо, мы свяжемся с Вами в ближайшее время
Кликните или перенесите файлы (до 2МБ, до 6 файлов)
Заказать звонок
Спасибо, мы свяжемся с Вами в ближайшее время
Оставить заявку на 3D-моделирование
Спасибо, мы свяжемся с Вами в ближайшее время
Оставить заявку
Спасибо, мы свяжемся с Вами в ближайшее время
HostCMS